針座連接器的基本概述
針座連接器,也稱為針腳連接器,是一種電子連接器,通常由兩個部分組成:母座和公頭。母座一般具有多個小孔,其中每個小孔都包含一個金屬針座。而公頭則包括相應數量的金屬針腳,用于插入母座的小孔中,從而建立電氣連接。
這些金屬針座通常由高導電性的材料制成,如銅或黃銅,以確保穩定的電氣連接和信號傳輸。針座連接器的設計可以根據特定的應用需求來進行定制,包括不同數量的針座、排列方式、尺寸和形狀。
工作原理
針座連接器的工作原理非常簡單而有效。當公頭插入母座的小孔中時,金屬針腳與金屬針座接觸,形成電氣連接。這種連接方式提供了可靠的電信號傳輸和功率傳遞,同時確保連接緊密,不易松動。
在連接過程中,金屬針腳的形狀和排列通常設計成特定的模式,以確保正確的對齊和連接。這有助于防止錯誤連接,提高了系統的可靠性和穩定性。
應用領域
針座連接器廣泛應用于各種不同的領域,包括但不限于以下幾個方面:
電子設備制造:針座連接器常見于計算機、手機、平板電腦等電子設備中,用于連接各種內部電路板,如主板、顯卡、硬盤等。
工業自動化:在工業領域,針座連接器用于連接傳感器、執行器、控制器等設備,以便實現自動化生產和監控。
航空航天:航空航天領域對可靠的連接器有極高的要求,針座連接器被廣泛用于飛機、衛星和航天器中,用于連接電子設備和傳感器。
醫療設備:醫療設備制造商使用針座連接器連接醫療儀器和設備,確保準確的數據傳輸和可靠的操作。
汽車工業:汽車中的控制系統、傳感器和娛樂系統都依賴于針座連接器,以提供電源和數據傳輸。
通信設備:在網絡設備、通信基站和數據中心中,針座連接器用于連接各種設備和傳輸高速數據。

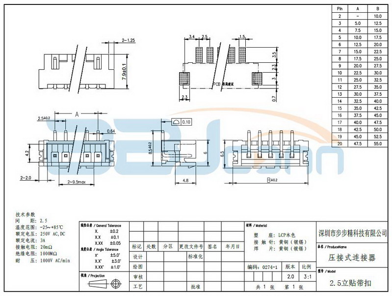
針座分為:間距/Pin位/結構/厚度四個模塊組成
間距分為:0.8mm/1.0mm/1.25mm/1.5mm/2.0mm/2.54mm/3.96mm
Pin位:2P-30P
結構:臥貼/立貼/直插/彎插
XH2.5帶扣針座立貼4PB






